重庆大圈品茶工作室,深圳qm新月论坛,采花楼论坛,2025小姐威客信息最新动态

气动挡板阀

气动挡板阀
气动挡板阀
  • 产品型号:GDQ
  • 产品结构:直角式
  • 产品压力:105~1.3x10-4
  • 产品材质:WCB,304,316
  • 产品规格:DN10-DN1000

声 明:
产品描述中所有文字、数据、图片仅供参考,实际型号由使用工况决定!如果您需要更详细了解【气动挡板阀】的相关信息或索取相关资料,请联系我们

气动高真空挡板阀原理:
?
GDQ高真空气动挡板阀采用波纹管密封,依靠用压缩空气为动力,以电信号作为阀门开关信号,通过电磁换向阀改变气路方向,执行气缸驱动挡板作启闭动作,实现系统中气体的截止或导通。气动高真空挡板阀适用介质为空气及非腐蚀性气体。
?
气动高真空挡板阀用途:
?
气动高真空挡板阀GDQ阀体制造采用拉伸工艺,减少焊缝,增加强度,减少放气量。它具有结构简单,开闭时间短,安全可靠,坚固耐用并且可以自动控制等优点,被广泛应用在电子、化工、冶金、航空、航天、材料、生物医药、原子能、宇宙探测等高科技领域。如各种真空炉、真空镀膜设备、真空冷冻干燥设备等。

?
气动挡板阀GDQ参数:


适用范围(Pa)
105~1.3x10-4
阀门漏率(Pa.L/S)
≤1.3x10-5
介质温度(℃)

-25~+80(密封材料为丁腈橡胶)
-30~+150(密封材料为氟橡胶)

气源压力(MPa)
0.4~0.8
安装位置
DN<300任意,DN≥300垂直
电源电压
标准出厂:AC220V/50Hz
特殊指定:AC110V;DC24V;DC12V等
信号反馈
标准出厂:不带反馈信号
特殊指定:磁性开关DC/AC5~240V

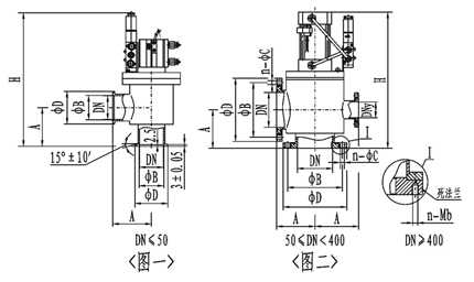
(图一) (KF)连接及外形尺寸

型号
通径(DN)
ΦD
ΦB
H
A
法兰标准
GDQ-J10/KF
10
30
12.2
180
30
GB4982
GDQ-J16/KF
16
30
17.2
180
40
GDQ-J25/KF
25
40
26.2
200
50
GDQ-J40/KF
40
55
41.2
210
65
GDQ-J50/KF
50
75
52.2
276
70
/

(图二)活套法兰连接及外形尺寸

型号
通径(DN)
ΦD
ΦB
H
A
n-ΦC
DNy(预抽口)
n-Mb
法兰标准
GDQ-J50
50
110
90
276
70
4-Φ9
/
/
GB/T6070
GDQ-J63
63
130
110
283
88
GDQ-J80
80
145
125
314
88
8-Φ9
GDQ-J100
100
165
145
338
108
GDQ-J125
125
200
175
424
128
8-Φ11
GDQ-J(S)150
150
220
195
482
138
DN40(GB4982)
JB919
GDQ-J(S)160
160
225
200
482
138
GB/T6070
GDQ-J(S)200
200
285
260
620
200
12-Φ11
DN50(GB/T6070)
GDQ-J(S)250
250
335
310
655
208
DN63(GB/T6070)
GDQ-J(S)300
300
380
350
783
250
8-Φ14
DN80(GB/T6070)
JB919
GDQ-J(S)320
320
425
395
789
250
12-Φ14
GB/T6070
GDQ-J(S)400
400
510
480
1210
330
16-Φ14
DN100(GB/T6070)
16-M12
GDQ-J(S)400
400
500
465
1210
330
8-M16
JB919
GDQ-J(S)500
500
610
580
1270
360
DN125(GB/T6070)
16-M10
GB/T6070
GDQ-J(S)600
600
710
670
1562
450
12-Φ21
DN160(GB/T6070)
12-M18
JB919
GDQ-J(S)630
630
750
720
1562
450
20-Φ14
20-M10
GB/T6070
GDQ-J(S)800
800
920
890
1900
520
24-Φ14
DN200(GB/T6070)
24-M10
注:其中DN400以上底部采用死法兰n-Mb。
主站蜘蛛池模板: 离岛区| 阜新市| 当雄县| 土默特右旗| 高碑店市| 乌海市| 密云县| 甘孜县| 呼玛县| 石首市| 五峰| 汪清县| 华池县| 新建县| 儋州市| 巴彦淖尔市| 礼泉县| 奇台县| 烟台市| 湖南省| 潼关县| 玛多县| 方正县| 本溪市| 霍邱县| 扎兰屯市| 民权县| 浠水县| 吴江市| 新竹县| 嘉禾县| 台北县| 长子县| 清河县| 延津县| 屯门区| 钟山县| 吐鲁番市| 乌拉特前旗| 兰西县| 临泽县|