重庆大圈品茶工作室,深圳qm新月论坛,采花楼论坛,2025小姐威客信息最新动态

真空电磁阀

低真空电磁压差充气阀

低真空电磁压差充气阀

  • 产品型号:DYC-Q
  • 产品结构:直通式
  • 产品压力:10 5 ~10 -2
  • 产品材质:WCB,304,316
  • 产品规格:DN16-DN320

声 明:
产品描述中所有文字、数据、图片仅供参考,实际型号由使用工况决定!如果您需要更详细了解【低真空电磁压差充气阀】的相关信息或索取相关资料,请联系我们

低真空电磁压差充气阀原理:
 
低真空电磁压差充气阀DYC-Q是安装在机械真空泵进气口上一种真空阀门。电磁真空压差阀工作原理是机械泵的电源和电磁阀线圈的电源接在同一电路上,当机械真空泵因工作需要突然停电、停止运转时,该阀利用大气压力使阀芯自动关闭,截止和真空系统相连的通道,同时向泵内放大气,防止机械泵油返回真空系统,起到了保护真空系统作用,有利于机械泵再启动。低真空电磁压差充气阀适用的工作介质为空气及非腐蚀性气体。



电磁真空压差阀DYC-Q参数:

适用范围(Pa)
105~10-2
阀门漏率(Pa.L/S)
<6.5x10-2
介质温度(℃)
-25~+40
开闭时间(S)
≤3
电源电压(V/Hz)
220/50
安装方式
垂直

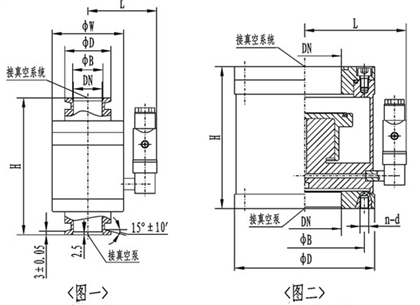
(图一)连接及外形尺寸(GB4982)

型号
通径(DN)
ΦW
ΦD
ΦB
H
L
法兰标准
DYC-Q16/KF
16
60
30
17.2
115
63
GB4982
DYC-Q25/KF
25
70
40
26.2
130
67
DYC-Q40/KF
40
100
55
41.2
160
81
DYC-Q50/KF
50
110
75
52.2
195
85
/

(图二)连接及外形尺寸(GB/T6070)

型号
通径(DN)
ΦD
ΦB
H
L
n-d
法兰标准
DYC-Q16
16
60
45
75
63
4-M6
GB/T6070
DYC-Q20
20
65
50
80
67
DYC-Q25
25
70
55
90
67
DYC-Q32
32
90
70
100
75
4-M8
DYC-Q40
40
100
80
110
81
DYC-Q50
50
110
90
123
85
DYC-Q65
65
125
105
147
95
DYC-Q80
80
145
125
147
102
DYC-Q100
100
165
145
140
112
8-M8
DYC-Q125
125
200
175
185
121
8-M10
DYC-Q160
160
225
200
210
138
DYC-Q200
200
285
260
240
170
12-M10
DYC-Q250
250
335
310
285
195
DYC-Q320
320
425
395
310
241
12-M12
主站蜘蛛池模板: 英德市| 新宁县| 颍上县| 凤山市| 囊谦县| 册亨县| 伊川县| 永安市| 清徐县| 临猗县| 平果县| 平乡县| 舟山市| 马尔康县| 景洪市| 临沂市| 和林格尔县| 甘谷县| 长沙市| 奎屯市| 铁岭县| 南开区| 灵璧县| 沙田区| 建始县| 张家港市| 玉屏| 曲水县| 沅陵县| 榆林市| 蛟河市| 涪陵区| 安康市| 肥西县| 湖南省| 西宁市| 柘城县| 克什克腾旗| 兴国县| 江口县| 法库县|