重庆大圈品茶工作室,深圳qm新月论坛,采花楼论坛,2025小姐威客信息最新动态

真空电磁阀

电磁高真空挡板阀GDC-J

电磁高真空挡板阀GDC-J

  • 产品型号:GDC-J
  • 产品结构:直角式
  • 产品压力:105~6.7x10-4
  • 产品材质:WCB,304,316
  • 产品规格:DN16-DN80

声 明:
产品描述中所有文字、数据、图片仅供参考,实际型号由使用工况决定!如果您需要更详细了解【电磁高真空挡板阀GDC-J】的相关信息或索取相关资料,请联系我们

电磁高真空挡板阀原理:
 
电磁高真空挡板阀GDC-J的电磁线圈部件采用双线包结构,采用瞬时大电流启动,小电流维持电路。电磁高真空挡板阀以电磁为动力直接带动阀板动作,使阀门开启或关闭。真空电磁阀具有密封可靠,重量轻,寿命长,使用方便等优点。是真空设备自动化首选阀门之一。
 
电磁高真空挡板阀概述:
 
GDC-J电磁高真空挡板阀是真空系统中主要元件之一,是以电磁力作为阀板开启之动力,当阀关闭时,允许阀板密封面上侧承受大气压,下侧为真空,在此状态下接通电器控制盒电源后,阀板能正??簟5绱鸥哒婵盏舶宸视玫墓ぷ鹘橹饰掌⒎歉葱约安缓帕;页镜钠?。


电磁高真空挡板阀GDC-J参数:

适用范围(Pa)
105~6.7x10-4
阀门漏率(Pa.L/S)
≤6.7x10-4
适用温度(℃)
-25~+40
线圈温升(℃)
≤65
开闭时间(S)
3~5
电源电压(V/Hz)
220±10%/50
安装方式
垂直

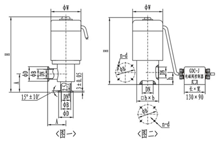
(图一)(KF)连接及外形尺寸

型号
通径(DN)
ΦW
ΦD
ΦB
H
A
法兰标准
GDC-J16A/KF
16
68
30
17.2
186
40
GB4982
GDC-J25A/KF
25
82
40
26.2
193
50
GDC-J40/KF
40
110
55
41.2
270
65
GDC-J50A/KF
50
125
75
52.2
307
70
/

(图二)连接及外形尺寸

型号
通径(DN)
ΦW
ΦB
H
h
bxb
n-b
法兰标准
GDC-J16A
16
68
42
165
28
48x48
4-M5
JB919
GDC-J25A
25
82
55
190
35
58x58
4-M6
GDC-J32
32
92
64
217
40
68x68
4-M6
GDC-J40
40
110
70
240
44
80x80
4-M6
GDC-J50A
50
125
90
285
56
95x95
4-M8
GDC-J65
65
135
105
315
65
115x115
4-M8
GDC-J80
80
165
125
358
75
140x140
4-M8
主站蜘蛛池模板: 安平县| 抚宁县| 东平县| 鹤壁市| 华容县| 金山区| 夏津县| 增城市| 西充县| 普安县| 陇西县| 鄂托克旗| 清徐县| 巴南区| 新巴尔虎左旗| 高密市| 从化市| 图木舒克市| 宾阳县| 枝江市| 淮滨县| 澜沧| 河池市| 上高县| 宝坻区| 津南区| 靖州| 吉木乃县| 博野县| 辉县市| 历史| 桑植县| 来安县| 哈尔滨市| 拜城县| 宁蒗| 东兴市| 大田县| 曲松县| 通榆县| 昂仁县|